IA8086
输入电压范围:4.7~22V
指示状态:单灯
充电电流:2A
节数:1、2、3
OVP保护电压:-
电压阈值:4.2V/4.35V/ 8.4V/12.6V
模式:PWM
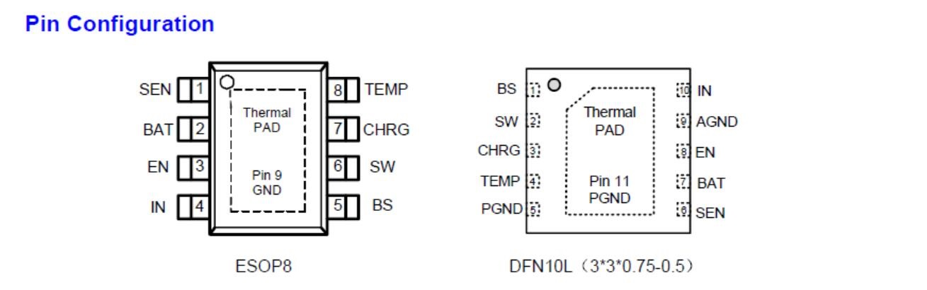
封装:ESOP8、 DFN10(3*3)
输入电压范围:4.7~22V
指示状态:单灯
充电电流:2A
节数:1、2、3
OVP保护电压:-
电压阈值:4.2V/4.35V/ 8.4V/12.6V
模式:PWM
封装:ESOP8、 DFN10(3*3)
24V Input Voltage Switch Mode Battery Charger
• Input Supply Range
One-cell 4.7V~16V
Two-cell 10V~20V
Three-cell 14V~22V
• Maximum input voltage 24V
• Built in anti current backward function
• High Efficiency Current Mode PWM Controller
• Built-in input adaptive function
• Constant Switching Frequency for Minimum Noise
• ±1% charge voltage accuracy
• Automatic Recharge
• Automatic Shutdown When Input Supply is Removed
• Automatic Trickle Charging of Low Voltage
• Stable with Ceramic Output Capacitor
• Battery Temperature Sensing

